插夾式虎鉗_5吋
S型鉗口 (S-Type Jaws)
適用於預壓成型的工件
鎖緊力輕,減少材料變形
夾緊裝置的磨損低,壽命長
鎖緊扭力低,符合人體工學操作
材質:鋼 HRC50
A型鉗口 (A-Type Jaws)
適用於輕切削的加工
節省材料,縮短生產時間
提高尺寸的穩定性
材質:鋼 HRC50
適用於預壓成型的工件
鎖緊力輕,減少材料變形
夾緊裝置的磨損低,壽命長
鎖緊扭力低,符合人體工學操作
材質:鋼 HRC50
A型鉗口 (A-Type Jaws)
適用於輕切削的加工
節省材料,縮短生產時間
提高尺寸的穩定性
材質:鋼 HRC50
型號 :
WEV-5BL090
Type A Workpiece Pre-stamping for Aluminum.
Type S Workpiece Pre-stamping for Steel.
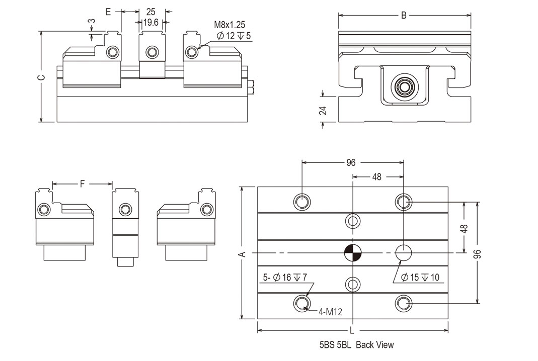
尺 寸 圖
| Clamping Range | Clamping Force | Torque Vise Assembly | Set/Kg | |||||||
| Technical Data | A | B | C | L | E | F | ||||
| 5" Double Station Vise | WEV-5BS070 | 125 | 125 | 86 | 180 | 0-40 | 40-70 | 15.6kN/85Nm | Max.100Nm | 9.8 |
| 5" Large Double Station Vise | WEV-5BL070 | 125 | 125 | 86 | 230 | 0-57 | 40-90 | 15.6kN/85Nm | Max.100Nm | 11.4 |
