詢價車 (
0
)
繁體中文
English
關於我們
產品介紹
插夾式虎鉗
插夾式虎鉗_2吋
插夾式虎鉗_3吋
插夾式虎鉗_5吋
快速交換盤
原點夾持系統
插夾式齒形預咬機
生爪系列
油壓生爪-06
油壓生爪-08
油壓生爪-10
油壓生爪-12A
油壓生爪-12B
油壓生爪-15
油壓生爪-18
油壓生爪-21_24
油壓生爪-全包
精密級研磨生爪
軟質油壓生爪
強力生爪
T型塊
最新消息
2025TIMTOS台北國際工具機展
實績案例
檔案下載
DM下載
聯絡我們
Home
產品介紹
插夾式虎鉗
插夾式虎鉗_3吋
插夾式虎鉗_3吋
產品介紹
插夾式虎鉗
插夾式虎鉗_2吋
插夾式虎鉗_3吋
插夾式虎鉗_5吋
快速交換盤
原點夾持系統
插夾式齒形預咬機
生爪系列
油壓生爪-06
油壓生爪-08
油壓生爪-10
油壓生爪-12A
油壓生爪-12B
油壓生爪-15
油壓生爪-18
油壓生爪-21_24
油壓生爪-全包
精密級研磨生爪
軟質油壓生爪
強力生爪
T型塊
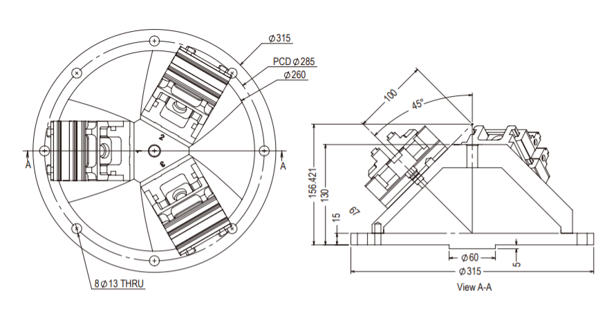
插夾式虎鉗_3吋
型號 :
WEV-3P315
附件
3P315-dxf
數量 :
加入詢價車
規格
尺 寸 圖
Technical Data
Dimensions
Set/Kg
WEV-3P315
Ø315 x 130mm
22.6
關於我們
產品介紹
最新消息
實績案例
聯絡我們