插夾式虎鉗_3吋
S型鉗口 (S-Type Jaws)
適用於預壓成型的工件
鎖緊力輕,減少材料變形
夾緊裝置的磨損低,壽命長
鎖緊扭力低,符合人體工學操作
材質:鋼 HRC50
A型鉗口 (A-Type Jaws)
適用於輕切削的加工
節省材料,縮短生產時間
提高尺寸的穩定性
材質:鋼 HRC50
適用於預壓成型的工件
鎖緊力輕,減少材料變形
夾緊裝置的磨損低,壽命長
鎖緊扭力低,符合人體工學操作
材質:鋼 HRC50
A型鉗口 (A-Type Jaws)
適用於輕切削的加工
節省材料,縮短生產時間
提高尺寸的穩定性
材質:鋼 HRC50
型號 :
WEV-3BS040
Type A Workpiece Pre-stamping for Aluminum.
Type S Workpiece Pre-stamping for Steel.
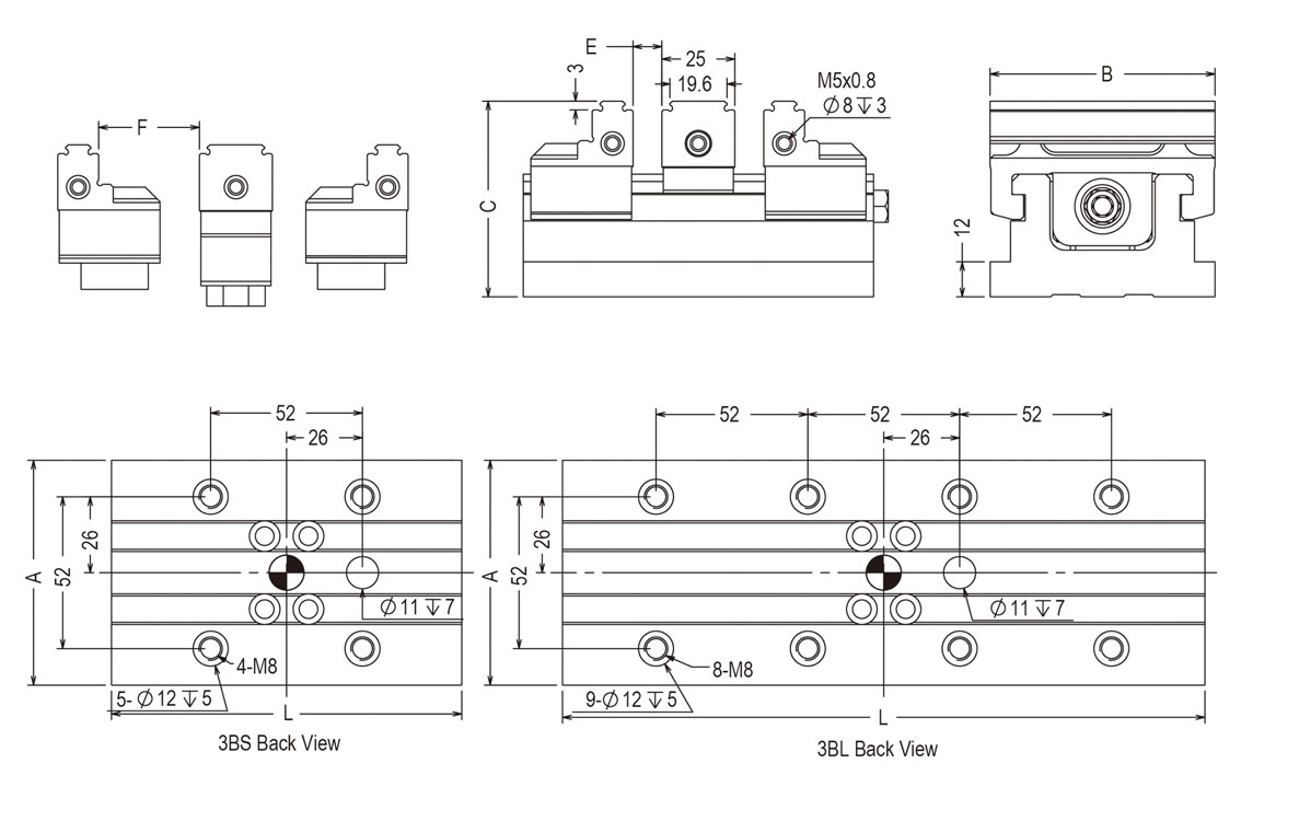
尺 寸 圖
| Clamping Range | Clamping Force | Torque Vise Assembly | Set/Kg | |||||||
| Technical Data | A | B | C | L | E | F | ||||
| 3" Double Station Vise |
WEV-3BS040 |
77 | 77 | 67 | 120 | 0-22 | 22-40 | 13kN/60Nm | Max.70Nm | 3.2 |
| 3" Large Double Station Vise |
WEV-3BL90 |
77 | 77 | 67 | 220 | 0-65 | 22-90 | 13kN/60Nm | Max.70Nm | 4.6 |
